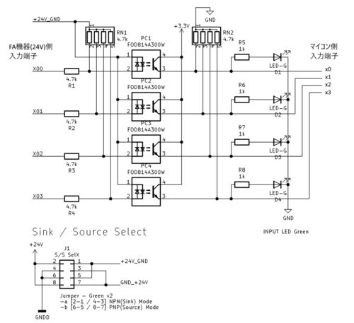
はじめに この記事は、Qiitaで実施されている「FA技術カレンダー Advent Calendar 2019」の関連記事です。 PLCでは、入力側(三菱製FXシリーズだと”X”)側に、「S/S」という端子があります。 これは、シンク入力/ソース入力の切替に使われており、いわゆるセ…
引用をストックしました
引用するにはまずログインしてください
引用をストックできませんでした。再度お試しください
限定公開記事のため引用できません。